0719-8312211

3895832
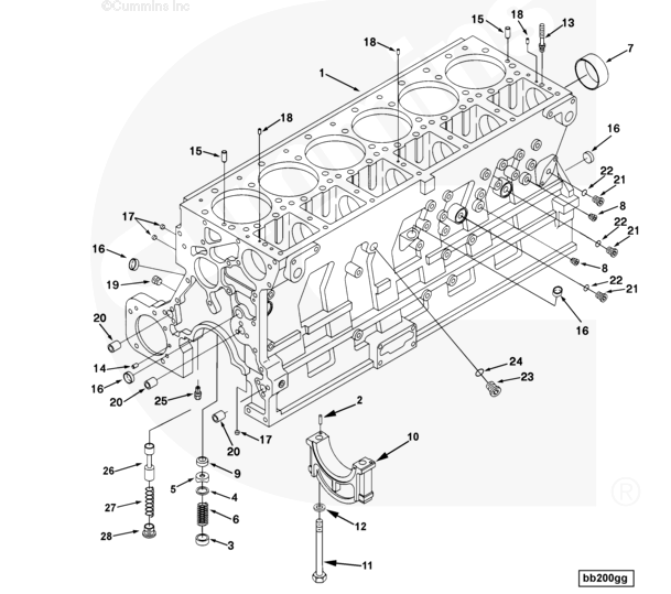
康明斯M11双头螺栓/3895832

产品型号:3895832

产品规格:

产品产地:

适用车型:工程机械

配件品牌:东风康明斯

配件类别:紧固件

产品描述

  湖北佰腾工贸有限公司主营:康明斯B/C/L/M/N/K/F等全系列电控、机械发动机总成及配件,东风商用车全系列车身总成及全车零部件,临 工、徐工、中联、山推等工程机械发动机及其零部件,法士特变速箱总成及配件、东风德纳车桥总成、汉德车桥、元丰盘式制动器和减速器。公司 本着“货真、价实、诚信、专业”的经营理念,为广大新老客户提供最优质便捷的服务!

     公司旗下网站--汽配商城(http://www.qpsc.com.cn/ ),全力打造您最专业最全面的汽车/工程机械配件超市,让您有全新的体验!公司产品 持续更新中,请广大新老客户保持关注!


网站:http://www.qpsc.com.cn/ 


客服QQ: 349239980 

E-Mail: 349239980@qq.com

联系电话: 0719-8312211 8313373 8363116

手机/微信:13872817619 15549950282

地址: 湖北省十堰市白浪中路19号

推荐产品
柴油发动机配件东风勇士军车用康明斯柴油发动机配件卡套式三通接头体3905388

柴油发动机配件东风勇士军车用康明斯柴油发动机配件卡套式三通接头体3905388 柴油发动机配件东风勇士军车用康明斯柴油发动机配件卡套式三通接头体3905388

带垫螺栓3038076

重康CCEC工程机械船舶发电机组发动机配件带垫螺栓3038076 带垫螺栓3038076

东风天龙雷诺机油节流喷嘴D5010412276

东风天龙雷诺机油节流喷嘴D5010412276 东风天龙雷诺机油节流喷嘴D5010412276

东风康明斯十二角头螺栓3901617

东风康明斯十二角头螺栓3901617 东风康明斯十二角头螺栓3901617

3037045。

Original/Aftermarket diesel engine parts NTA855 N14 main bearing ring 3037045 3037045。

3881823/824

康明斯发动机增压器双头固定螺栓加螺母/3818823/3818824 3881823/824

3037045

重庆康明斯NT855定位销3037045 3037045

3010595

重庆康明斯NT855带垫螺栓/3010595 3010595

中文/English